一号娱乐家族

xxxxx
公司新闻
新闻详细
公司新闻
发布日期:
2022.03.09
字号
一号娱乐电子中标黄骅港码头船舶岸电项目


近日,一号娱乐电子股份有限公司(以下简称“一号娱乐电子”)在推动绿色双碳产业提升城市管理和运营的效率,改善民生方面又取得突破,中标黄骅港码头船舶岸电应用试点项目。


港口船舶岸电,即由岸上电源代替船载辅助燃油发电机供电,可有效减少船舶靠岸使用辅助燃油发电机发电产生的各类污染排放,属于典型的“以电代油”电能替代范畴。


在国家“双碳”战略的推动下,港口本身和电网系统都在加速推进岸电系统的应用。黄骅港码头船舶岸电项目是国能黄骅港务有限责任公司实现“码头岸电覆盖率100%”任务目标的综合性大型岸电项目,涵盖3套高压岸电系统及9套低压岸电系统的建设,覆盖黄骅港16个泊位。一号娱乐电子坚持以客户为中心,多次组织人员实地勘探、深度挖掘客户潜在需求、精心准备设计方案,最终赢得客户的认可,实现了港口岸电业务规模性的新突破。



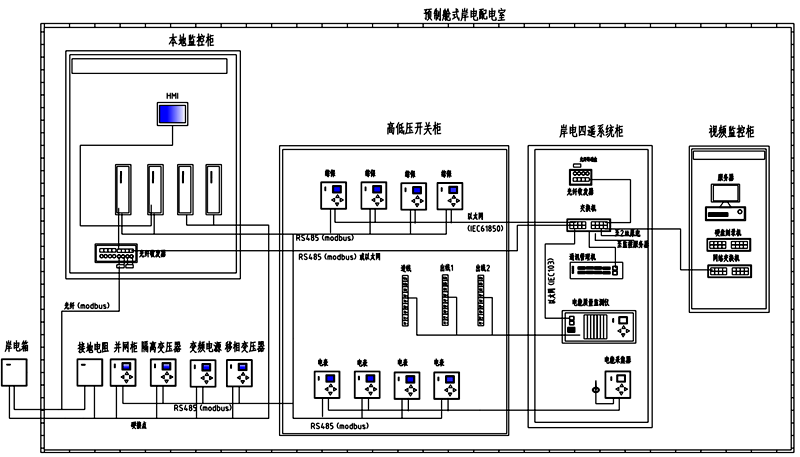
岸电系统主要是将码头配电室提供的6kV/50HZ电源,经过高低压岸电变频电源等配电装置变频变压后,转换成6kV/50HZ、6.6kV/60HZ或400V/50HZ、450V/60HZ的船用电源,给船舶供电;该项目成套岸电系统主要包括高低压开关柜、变频电源、输入输出变压器、预制舱、岸电箱等设备以及监控系统、岸电四遥系统、视频监控系统、电能质量检测系统、电能采集系统。


下一步,一号娱乐电子将按照集团公司加快数字化转型的部署,深耕港口岸电领域,全力以赴做好项目实施工作,为进一步推动岸电业务发展积累丰富经验、打造典型样板案例,把一号娱乐电子绿色能源数字化的先进技术、方案进一步向客户推广,积极探索绿色港口建设中的机遇,加速推动 “双碳”产业的提升。